Распиновка блока света приора

Блок управления светом от приоры на ваз 2110. Блок управления светом приора схема подключения проводов. Мус 471. Распиновка блока света приора. Распиновка разъема мус калина 2.
Блок управления светом от приоры на ваз 2110. Блок управления светом приора схема подключения проводов. Мус 471. Распиновка блока света приора. Распиновка разъема мус калина 2.
Распиновка штекера мус приора 1 люкс. Мус лада калина 2 разъем. Блок управления светом от приоры на ваз 2110. Распиновка блока света приора. Блок мус приора 2.
Распиновка штекера мус приора 1 люкс. Мус лада калина 2 разъем. Блок управления светом от приоры на ваз 2110. Распиновка блока света приора. Блок мус приора 2.
Распиновка мус калина 1 люкс. Блок управления светом приора 1 схема. Разъем блок фары уаз патриот 2015. Распиновка блока света приора. Блок мус приора на ваз 2110.
Распиновка мус калина 1 люкс. Блок управления светом приора 1 схема. Разъем блок фары уаз патриот 2015. Распиновка блока света приора. Блок мус приора на ваз 2110.
Блок управления светом приора 1 на ваз 2110. Блок управления светом от приоры на ваз 2110. Модуль управления светом приора 2 люкс. Распиновка блока света приора. Блок управления светом приора 2 схема.
Блок управления светом приора 1 на ваз 2110. Блок управления светом от приоры на ваз 2110. Модуль управления светом приора 2 люкс. Распиновка блока света приора. Блок управления светом приора 2 схема.
Блок включения света ваз 2170. Блок управления светом уаз патриот 2007. Блок управления светом приора 2 схема. Распиновка блока света приора. Провод габарита мус лада калина 1.
Блок включения света ваз 2170. Блок управления светом уаз патриот 2007. Блок управления светом приора 2 схема. Распиновка блока света приора. Провод габарита мус лада калина 1.
Блок мус приора на ваз 2110. Распиновка мусс калина 1. Разъем блока управления светом приора. Колодка мус калина 1 распиновка. Модуль управления светом приора схема.
Блок мус приора на ваз 2110. Распиновка мусс калина 1. Разъем блока управления светом приора. Колодка мус калина 1 распиновка. Модуль управления светом приора схема.
Блок мус приора 1 схема. Уаз патриот мус электросхема. Блок управления светом калина схема. Схема переключателя света калина 1. Блок управления светом приора на 2110.
Блок мус приора 1 схема. Уаз патриот мус электросхема. Блок управления светом калина схема. Схема переключателя света калина 1. Блок управления светом приора на 2110.
Распиновка блока света приора. Лада приора 2 люкс мус схема. Мус калина 2 распиновка. Блок управления светом от приоры на ваз 2110. Модуль управления светом приора 2 люкс.
Распиновка блока света приора. Лада приора 2 люкс мус схема. Мус калина 2 распиновка. Блок управления светом от приоры на ваз 2110. Модуль управления светом приора 2 люкс.
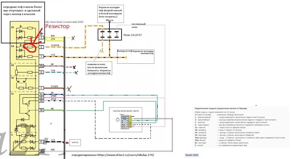
Распиновка блока света приора. Распиновка блока света приора. Блок управления светом приора 1 на ваз 2110. Распиновка блока света приора. Распиновка блока мус лада приора 1 люкс.
Распиновка блока света приора. Распиновка блока света приора. Блок управления светом приора 1 на ваз 2110. Распиновка блока света приора. Распиновка блока мус лада приора 1 люкс.
Ваз 2170 схема модуля управления светом. Мус калина 2 люкс распиновка. Распиновка колодки мус приора. Блок управления светом приора 1 схема. Распиновка блока света приора.
Ваз 2170 схема модуля управления светом. Мус калина 2 люкс распиновка. Распиновка колодки мус приора. Блок управления светом приора 1 схема. Распиновка блока света приора.
Распиновка блока света приора. Распиновка блока света приора. Приора блок управления светом приора 2 распиновка. Распиновка блока света приора. Распиновка блока света приора.
Распиновка блока света приора. Распиновка блока света приора. Приора блок управления светом приора 2 распиновка. Распиновка блока света приора. Распиновка блока света приора.
Распиновка блока света приора. Блок управления светом приора схема. Распиновка блока света приора. Распиновка разъема мус калина 1 люкс. Фишка модуля управления светом приора.
Распиновка блока света приора. Блок управления светом приора схема. Распиновка блока света приора. Распиновка разъема мус калина 1 люкс. Фишка модуля управления светом приора.
Блок включения фар приора 1. Разъем мус приора. Блок управления светом приора ваз 2112. Распиновка блока света приора. Мус уаз патриот схема подключения.
Блок включения фар приора 1. Разъем мус приора. Блок управления светом приора ваз 2112. Распиновка блока света приора. Мус уаз патриот схема подключения.
Распиновка блок фары kalina. Распиновка блока света приора. Распиновка мус уаз патриот 2007. Блок мус приора 1 схема. Блок управления светом приора 1 на ваз 2110.
Распиновка блок фары kalina. Распиновка блока света приора. Распиновка мус уаз патриот 2007. Блок мус приора 1 схема. Блок управления светом приора 1 на ваз 2110.
Схема подключения мус приора 2. Блок управления светом приора схема подключения. Распиновка блока света приора. Модуль включения света лада приора. Распиновка блока света приора.
Схема подключения мус приора 2. Блок управления светом приора схема подключения. Распиновка блока света приора. Модуль включения света лада приора. Распиновка блока света приора.
3769 схема. Модуль управления светом уаз патриот 2018. Блок управления светом приора 2 схема. Блок управления светом приора схема. Блок мус приора на ваз 2110.
3769 схема. Модуль управления светом уаз патриот 2018. Блок управления светом приора 2 схема. Блок управления светом приора схема. Блок мус приора на ваз 2110.
Распиновка блока света приора. Ваз 2170 схема модуля управления светом. Распиновка блока мус лада приора 1 люкс. Блок управления светом приора ваз 2112. Распиновка блока света приора.
Распиновка блока света приора. Ваз 2170 схема модуля управления светом. Распиновка блока мус лада приора 1 люкс. Блок управления светом приора ваз 2112. Распиновка блока света приора.
Блок управления светом приора 1 на ваз 2110. Блок управления светом приора 2 схема. Распиновка блока света приора. Блок мус приора 1 схема. Блок включения фар приора 1.
Блок управления светом приора 1 на ваз 2110. Блок управления светом приора 2 схема. Распиновка блока света приора. Блок мус приора 1 схема. Блок включения фар приора 1.
Распиновка мусс калина 1. Распиновка блока света приора. Модуль управления светом приора 2 люкс. Блок мус приора на ваз 2110. Распиновка блока света приора.
Распиновка мусс калина 1. Распиновка блока света приора. Модуль управления светом приора 2 люкс. Блок мус приора на ваз 2110. Распиновка блока света приора.
Мус лада калина 2 разъем. Блок управления светом калина схема. Распиновка блока света приора. Распиновка блока света приора. Распиновка блока света приора.
Мус лада калина 2 разъем. Блок управления светом калина схема. Распиновка блока света приора. Распиновка блока света приора. Распиновка блока света приора.